SZ – 20 System

SZ-20 (44025)

SZ-20 (44025)

Profile 44025 (1074323).pdf

SZ-20 (44026)

SZ-20 (44026)

Profile 44026 (1074325).pdf

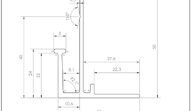
SZ-20-USko

SZ-20-USko

A148061.dwg

SZ-20-USko

SZ-20-USko

A148061.pdf

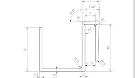
SZ-20 (35953)

SZ-20 (35953)

A137024.dwg

SZ-20 (35953)

SZ-20 (35953)

A137024.pdf

SZ-20 (44024)

SZ-20 (44024)

Profile 44024 (1074324).pdf